
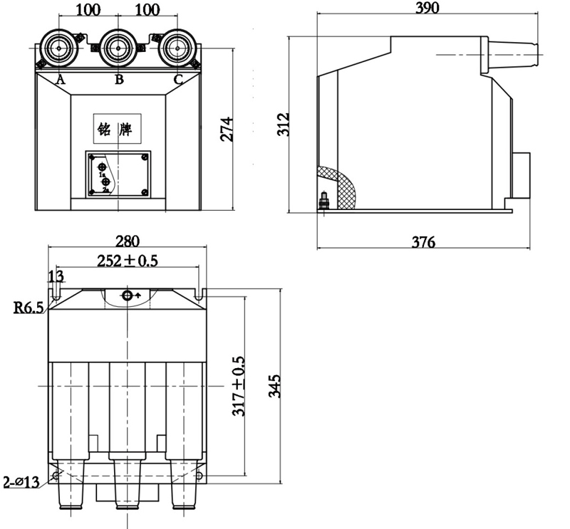
                              三相一體電壓互感器
產品說明:JSZV29-10/R 型電壓互感器適用于額定頻率50Hz,額定電壓為 10kV 及以下的交流線路中,作電流、電能測量和繼電保護之用。

                              三相一體電壓互感器
產品說明:JSZV29-10/R 型電壓互感器適用于額定頻率50Hz,額定電壓為 10kV 及以下的交流線路中,作電流、電能測量和繼電保護之用。
地址:蘇州市綠寶廣場2#6006室
                電話:0512-68025806
                郵箱:szkuyud@163.com
                傳真:0512-65516505
                郵編:215011
地址:南京市秦淮區江寧路5號
                電話:025-52663658
                郵箱:njkuyud@163.com
                傳真:025-52663758
                郵編:210006
